電動車控制器作為電動車的核心控制部件,扮演著類似大腦的角色,精確調控著電動車的啟動、運行、進退、速度與停止等關鍵功能,同時管理其他電子元件的運行。它的存在對電動車的整體性能至關重要,其設計品質直接關系到車輛性能與運行狀態。
電動車控制器原理
電動車控制器主要由周邊器件和主芯片(或單片機)構成。周邊器件,包括電阻、傳感器、橋式開關電路等,負責執行和采樣等任務,為單片機提供必要的支持。單片機,或稱微控制器,集成了存儲器、譯碼器、鋸齒波發生器、脈寬調制功能電路以及驅動電路和輸入輸出端口。通過這些組件的協同工作,控制器實現對電機轉速的精準控制,進而調節電動車的速度。
控制器的設計和品質對整車性能有著顯著影響。不同品質的控制器在同一車輛、同一電池條件下,也可能導致續航能力的顯著差異。
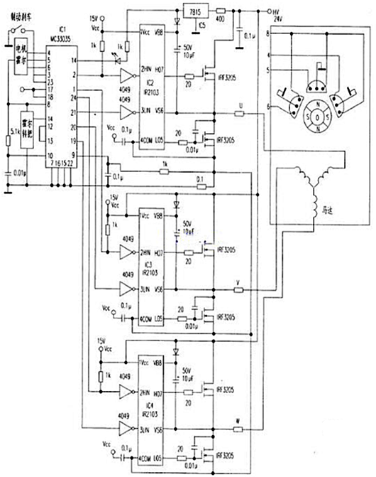
24V電動車控制器電路


對于24V電動自行車的無刷控制器電路,其設計涉及隔離二極管和自舉電容等關鍵元件。這些元件確??刂破鞣€定運行,保障電動車的正常操作。
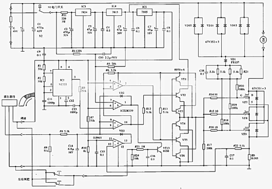
48V電動車控制器電路


48V電動車通常采用有刷電動機控制器,其電路設計更為復雜。例如,使用LM339的48V/500W控制器電路,通過特定的芯片和電路布局,實現對更高電壓和功率的精確控制,滿足電動車在不同工況下的需求。
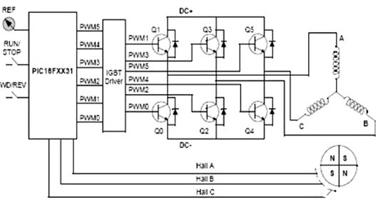
60V電動車控制器電路


60V電動車控制器電路的設計則需要考慮更高的電壓要求。其控制器電路通過優化的組件配置和電路設計,確保在更高的電壓下仍能保持穩定和高效,為電動車提供可靠的動力支持。
不同電壓等級的控制器電路設計反映了電動車技術的多樣性和復雜性??刂破鞯膬灮O計不僅能提升電動車的性能,還能增強其可靠性和安全性。
〈烜芯微/XXW〉專業制造二極管,三極管,MOS管,橋堆等,20年,工廠直銷省20%,上萬家電路電器生產企業選用,專業的工程師幫您穩定好每一批產品,如果您有遇到什么需要幫助解決的,可以直接聯系下方的聯系號碼或加QQ/微信,由我們的銷售經理給您精準的報價以及產品介紹
聯系號碼:18923864027(同微信)
QQ:709211280

