可以得出,阻值過大過小都是對MOSFET驅動電路產生一定不利影響的,而如何確定出合適的阻值,一般是根據管子的電流容量和電壓額定值以及開關頻率,來選取Rg的數值。
我們經常會聽到在MOSFET柵極前增加一個電阻。那么,為什么要增加這個電阻,進一步地來講,為什么要增加一個100Ω電阻?
在MOSFET的柵極前增加一個電阻?
MOS管是電壓型控制器件,一般情況下MOS管的導通,只需要控制柵極的電壓超過其開啟閾值電壓即可,并不需要柵極電流。
所以從本質上來講,MOS管工作室柵極上并不需要串聯任何電阻。
還有一種情況,也就是MOS管柵極存在的寄生電容。一般為了加快MOS管導通和截止的速度,降低其導通和截止過程中的產生損耗,柵極上的等效電阻是應該越小越好,最好為0。


但我們卻經常會看到關于MOSFET的電路中,柵極前串聯著一個電阻。如下圖:


那為什么要串聯這個電阻呢?
在開關狀態下,通常解釋就是為了防止MOSFET在開關過程中會產生震蕩波形,因為這會增加MOSFET開關損耗,不僅如此,如果震蕩過大,還會引起MOS管被擊穿。
再進一步講,為什么電阻是100Ω呢?
我在網上看到一個仿真試驗,實驗在MOSFET電路中的柵極串聯電阻R3,分別對它取1歐姆,10歐姆,50歐姆進行仿真實驗:
當R3為1歐姆時,輸出電壓Vds上出現高頻震蕩信號。
當R3為10歐姆時,輸出電壓Vds的高頻震蕩信號明顯被衰減。
3. 當R3為50歐姆時,輸出電壓Vds的上升沿變得緩慢。其柵極電壓上,因為漏極-柵極之間的米勒電容效應引發了臺階。此時對應的MOS管的功耗大大增加。
簡單來說,如果它的取值小了,就會引起輸出振鈴,如果大了就會增加MOS管的開關過渡時間,從而增加其功耗。
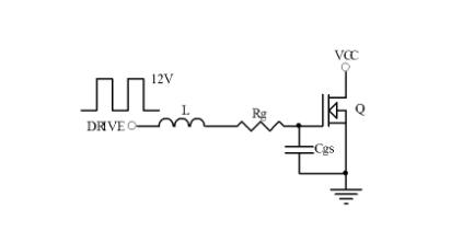
是不是看到這里,還是不太清楚選值為100Ω的作用在哪里?我們以上面提到的開關震蕩再進深一步探討。這是一張MOSFET的驅動電路圖:


功率MOS管的驅動電路中會分布各種電感,例如圖中的L,它們與MOSFET的Cgd, Cge會形成諧振電路:對開關驅動信號中的高頻諧波分量產生諧振,進而引起功率管輸出電壓的波動。
MOS管的柵極串聯電阻Rg,會增大MOS管驅動回路中的損耗,然后降低諧振回路的Q值,使得電感與電容諧振現象快速衰減。
在這里我們可以理解到,MOS管柵極上所串聯的電阻,是根據具體的MOS管和電路分布雜散電感來確定。
這跟我們上面提到阻值影響相關的,下面會詳細提到:


如上圖,當Rg值比較小時,驅動電壓上沖會比較高,震蕩較多,L(電感)越大也越明顯,此時會對MOSFET及其他器件性能產生一定影響。
此外,驅動電流的峰值也比較大,但是一般情況下,IC的驅動電流輸出能力是有一定限制的。
當阻值過大時,實際驅動電流達到IC輸出的最大值時,IC輸出就相當于一個恒流源,會對Cgs線性充電,驅動電壓波形的上升率會變慢。
而驅動波形上升比較慢的話,如果MOSFET有較大電流通過時就有不利影響。
可以得出,阻值過大過小都是對MOSFET驅動電路產生一定不利影響的,#優質作者榜#而如何確定出合適的阻值,一般是根據管子的電流容量和電壓額定值以及開關頻率,來選取Rg的數值。
還記得上面那句話嗎?
MOS管柵極上所串聯的電阻,是根據具體的MOS管和電路分布雜散電感來確定。
因此它不是一個固定值,但100Ω卻是個常用值,這是由于我們日常使用的驅動電路應用中常得出的“范圍值”。然而,具體應用需要根據實驗檢測來確定。
〈烜芯微/XXW〉專業制造二極管,三極管,MOS管,橋堆等,20年,工廠直銷省20%,上萬家電路電器生產企業選用,專業的工程師幫您穩定好每一批產品,如果您有遇到什么需要幫助解決的,可以直接聯系下方的聯系號碼或加QQ/微信,由我們的銷售經理給您精準的報價以及產品介紹
聯系號碼:18923864027(同微信)
QQ:709211280

