一、實驗目的
1.掌握用變容二極管調頻電路實現FM的方法;
2.理解靜態調制特性、動態調制特性概念和測試方法。
二、實驗原理
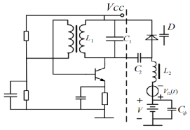
圖5-1是變容二極管調頻原理電路。

圖5-1 變容二極管調頻原理電路
變容二極管調頻電路的原理圖如圖5-2所示。

圖5-2 變容二極管調頻電路原理圖
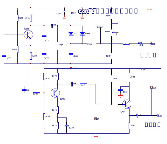
變容二極管調頻電路在模塊中單元標號為12,位于該子板卡上左部,如圖5-3所示。

圖5-3 變容二極管調頻電路子板卡(左部)
圖中,1Q01本身為電容三點式振蕩器,它與D01、D02(變容二極管)一起組成了直接調頻器。1Q02為放大器,1Q03為射級跟隨器。1W01用來調節變容二極管偏壓。圖12-3可見,加到變容二極管上的直流偏置就是+12V經由1R05、1W01和1R06分壓后,從1R06得到的電壓,因而調節1W01即可調整偏壓。
由圖可見,該調制器本質上是一個電容三點式振蕩器(共基接法),由于電容1C05對高頻短路,因此變容二極管實際上與1L02相并。調整電位器1W01,可改變變容二極管的偏壓,改變變容二極管的容量,從而改變振蕩頻率。
對輸入音頻信號而言,1L03短路,1C05開路,從而音頻信號可加到變容二極管1D01、1D02上。當變容二極管加有音頻信號時,其等效電容接音頻規律變化,因而振蕩頻率也按音頻規律變化,從而達到了調頻的目的。
三、實驗內容
1.觀察調頻器輸出波形,考察各種因素對于調頻器輸出波形的影響;
2.變容二極管調頻靜態調制特性測量;
3.變容二極管調頻器動態調制特性測量。
四、實驗步驟
(一)模塊上電
在實驗箱主板上插上變容二極管調頻模塊、電容耦合相位鑒頻與斜率鑒頻模塊,按下模塊上電源開關,此時電源指示燈點亮。
(二)靜態調制特性測量

1.輸入端先不接音頻信號,將示波器接1P02,用萬用表測1TP01點電位,按表5-1,調節1W01,使1TP01點電位V1P02變化,并把相應的頻率填入表中。
表5-1 無音頻輸入時的輸出信號頻率
2.動態調制特性測量
調整1W01使得變容二極管調頻器輸出頻率f 0 =8MHz。以實驗箱上低頻信號源作為音頻調制信號源,輸出頻率f=1KHz、峰-峰值V~p-p~=500mV(用示波器檢測)的正弦波。將音頻調制信號加入到調頻器的音頻輸入端1P01,便可在調頻器器的1TP02端上觀察到FM波。
把調頻器的調頻輸出端1P02連接到鑒頻單元的輸入端1P01,并將鑒頻器的1K01撥向相位鑒頻器,便可知鑒頻器的輸出端1P02上觀察到經解調后的音頻信號。如果沒有波形或波形不好,應調整調頻器1W01和鑒頻器1W01。
將示波器CH1接調制信號源(可接在調制模塊中1TP01上),CH2接鑒頻輸出1TP02,比較兩個波形有何不同。改變調制信號源的幅度,觀測鑒頻器解調輸出有何變化。調制信號源的頻率,觀察鑒頻器輸出波形的變化。
五、實驗報告
調頻FM波輸出波形:

波形的中間較細,而兩邊較粗,說明該波形經過了調頻。當增大調制信號源的幅度時,輸出波形兩邊會變粗,說明發生了較大的頻偏。
1.根據實驗數據,畫出靜態調制特性曲線,說明曲線斜率受哪些因素的影響。

曲線斜率受變容二極管在音頻信號為零時的直流電壓Uo的影響,電壓越大,斜率越小,電壓改變則相應的電容改變,從而頻率變化,則斜率變化。
2.說明1W01對于鑒頻器工作的影響。
1W01對鑒頻器的影響有兩個:一是對調諧問題的影響,另一個是對頻率振幅的干擾。
3.總結實驗體會
通過對變容二極管調頻電路的設計與研究,我們不僅對變容二極管的調頻原理有了更深刻的了解,還對調頻電路的應用進行了一定的了解,調頻電路在無線電通信中是非常重要的調制方式,應用非常廣泛.
〈烜芯微/XXW〉專業制造二極管,三極管,MOS管,橋堆等,20年,工廠直銷省20%,上萬家電路電器生產企業選用,專業的工程師幫您穩定好每一批產品,如果您有遇到什么需要幫助解決的,可以直接聯系下方的聯系號碼或加QQ/微信,由我們的銷售經理給您精準的報價以及產品介紹
聯系號碼:18923864027(同微信)
QQ:709211280

