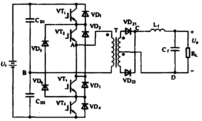
在電子電路中,二極管是最常用的基礎電子元器件之一,在電力電子電路中,二極管與開關器件形影相隨,并且在很多情況下,二極管的數量要多于開關器件,可見其重要性。 其中與開關器件匹配使用的大功率二極管要求最為特殊,這種二極管通常被稱作“Freewheeling Diode”也就是我們常說的續流二極管(FWD).下圖是最基本的IGBT直流變換器電路,其中VD1~VD4為續流二極管。

IGBT直流變換器中的FWD
適當的選擇續流二極管的特性,可以顯著地減小開關器件、二極管和其他許多電路元件的功率損耗。 還可以減小由續流二極管所引起的電壓尖峰、射頻干擾(RFI)和電磁干擾(EMI),從而盡量減小甚至去掉吸收電路。 因此續流二極管的特性對于開關器件的使用十分重要。
二極管反向恢復特性和機理
二極管的反向恢復特性

反向恢復波形
圖中的符號意義如下:
IFM:二極管通態峰值電壓
-diF/dt:正向通態電流下降率
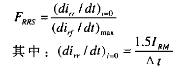
IRM:反向峰值電流
VFM:正向通態電壓
VR:反向電壓
VRM:反向峰值電壓
ta:存儲時間
tb:復合時間
trr:反向恢復時間
dir(REC)/dt:反向恢復di/dt
Qrr:反向恢復電荷
S:反向恢復軟度
二極管反向恢復機理
所有的pin二極管,在傳導正向電流時,都將從陽極和陰極注入大量的載流子,從陽極注入的空穴載流子在基區(i區)則以少子的形式存儲電荷。 少子注入使i區產生電導調制效應,使得正向通態壓降很低。
但是當正處于正向導通的二極管突然外加一個反向電壓時,由于i區有大量少數載流子的存儲,故在實現反向關斷之前需要將這些少數載流子完全抽出或者中和掉,這一過程就是我們所說的反向恢復過程,所需要的時間被定義為反向恢復時間trr。
反向恢復過程的產生原因時少數載流子的注入,只要是雙極型器件,只要有少子注入,就不可避免的會有反向恢復過程。 但這一過程嚴重的限制了器件的高頻特性,需要盡可能的減小和消除。
二極管反向恢復過程分析
下圖是結合二極管反向恢復波形進行的分析,進行了分段講解

二極管反向恢復軟度
表征二極管軟度的方法通常是ta與tb的比值,即軟度S=tb/ta。
這種表征方法一直被廣泛采用,通常是S越大越好,S越大,意味著反向恢復dir(REC)/dt越小。 dir(REC)/dt會在電路電感中產生較高地帶電動勢(VRM-VR),這個電勢疊加于電源電壓VR之上,一起加在二極管及其并聯地開關器件上,我們稱之為過沖電壓。 dir(REC)/dt和電路電感越大,VRM越高。 這個電勢不僅提高了二極管和開關器件地電壓要求和成本,而且也是二極管和開關器件的一大威脅,所以反向恢復dir(REC)/dt對于電路安全設計十分重要。
VRM=VR+L* dir(REC)/dt
這里還有另外一個表征方法,反向恢復軟度因子,用FRRS表示,其定義如下:

式中各參數的取值如下圖,顯然FRRS越大越好

可見,軟度因子FRRS和軟度S時統一的,但是FRRS更科學,更實用。 反向恢復時間trr和軟度因子FRRS的測試條件如下:
小于10%的和200%的額定正向平均電流值;
正向電流下降率(dirr/dt)i=0;
反向電壓(VR)取額定反向重復峰值電壓的5%;
RC吸收電路(適用時);
等效結溫。
以上講述二極管的反向恢復過程的重要性,同時針對整個過程的機理進行了分析。 讓我們在后面的過程中慢慢地去體會這么一個看似簡單實則很厲害的器件是如何發揮它的作用的。
〈烜芯微/XXW〉專業制造二極管,三極管,MOS管,橋堆等,20年,工廠直銷省20%,上萬家電路電器生產企業選用,專業的工程師幫您穩定好每一批產品,如果您有遇到什么需要幫助解決的,可以直接聯系下方的聯系號碼或加QQ/微信,由我們的銷售經理給您精準的報價以及產品介紹
聯系號碼:18923864027(同微信)
QQ:709211280

