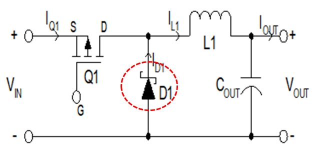
開關管的選擇


一般選用N 型mos管作為開關管(下圖為電流波形)


漏源間擊穿電壓:在開關管截止時,將會承受最大的Vds,Vds =Vin + Vf,為了考慮余量,計算時將Vds= 1.2 (Vin + Vf) ;那在選用FET時,至少要保證選用的FET 漏源間能承受住這個電壓,條件允許的情況下,可以選用具有更大的Vds承受電壓的FET;
平均電流:ID =IO·Dl;
峰值電流:最大電流等于電感電流的最大值IDMAX = Ipeak=Io+ ½·?I;
導通電阻:在開關管完全導通后,會有一個穩定的導通電阻Rsdon,這個值越小,消耗的功率就越少,選用FET時要特別注意。
額定功耗 :P d = ID 2·Rsdon,選用的FET要能承受這個消耗功率且要留有余量。
最低驅動電壓: 要確認選用的FET所需最低的驅動電壓是多少,當前設計的回路能否提供這個電壓,一般來說,為了保證FET的Vgs電壓,在G極和S極一般會加一個自舉電容以保證達到啟動電壓。


二極管的選擇


下圖為二極管電流波形


反向擊穿電壓:在二極管截止時,將會承受最大的反向電壓Urev,Urev =Vin, 在選取二極管時,需要選擇比這個電壓高的;
平均電流:ID=IO·(1-D)l峰值電流:最大電流等于電感電流的最大值,
IDMAX = Ipeak=Io + ½ · ?I;
額定功率:Pd = ID·VF,選用的二極管能承受這個消耗功率且要留有余量;
正向導通電壓VF:二極管的正向導通電壓VF越小,功率消耗就越小,所以要盡可能地選擇VF比較小的;
反向恢復時間trr:在開關電路中,一定要選擇反向恢復時間快的二極管,不然電路會工作異常。按反向恢復速度快慢分類:普通整流二極管 > 500ns ,快恢復二極管(150, 500)ns,超快恢復二極管(10,150)ns, 肖特基二極管<10 ns。


R 的選擇


穩壓反饋回路:
由于輸出可能存在過載或輕載的情況,輸出電壓可能不穩,嚴重的話,輸出端短路,出于保護的目的,前端回路要及時得到這個反饋并關閉開關管。
那么如何進行進行這個電壓反饋呢?


其原理就是用電阻對輸出電壓進行分壓采樣,然后和IC內部自帶的參考電壓Vref進行比較,采樣電壓高于或低于Vref,整個控制環節會進行工作,調節占空比。
當輸出電壓升高時,降低占空比,使輸出電壓降低;
當輸出電壓下降時,調高占空比,使輸出電壓升高從而實現穩壓效果。
當輸出電壓穩定在我們需要的目標值時,
VFB應該等于參考電壓Vref,
Vref= Vout·R2/(R2+R1)->Vout= Vref (1+ R1/R2)。
我們可以先設定R2的值,然后知道輸出電壓,就可以算出R1的值。考慮到消耗功率(電流參數)的影響,R1/R2的值選擇應是上K級別的,而且需要使用1%精密度的電阻。
〈烜芯微/XXW〉專業制造二極管,三極管,MOS管,橋堆等,20年,工廠直銷省20%,上萬家電路電器生產企業選用,專業的工程師幫您穩定好每一批產品,如果您有遇到什么需要幫助解決的,可以直接聯系下方的聯系號碼或加QQ/微信,由我們的銷售經理給您精準的報價以及產品介紹
聯系號碼:18923864027(同微信)
QQ:709211280

