如何驅動MOS?很多人的第一反應就是從單片機IO口直接輸出5V來驅動MOS的開關,這樣可以嗎?當然是可以的,那為什么有的電路用MCU直驅,有的要用專門的驅動IC呢?這牽涉到MOS管開關速度,工作電流,熱阻,導通電阻以及MOS管工作電壓等的要求。特別是MOS管的GS極有一個大的寄生電容,我們必須提供足夠的驅動電流來調整MOS的開關時間。我們在設計MOS管驅動電路時,要滿足的首要條件就是Vgs電壓大于Vth開啟電壓,一般來說Source極是接地的,所以我們一般關注的是Gate電壓,但是在一些特殊的應用場合中,比如H橋驅動電機時,這個時候MOS管的S極可能并不直接接地,那么我們應該如何控制MOS管的開關呢?這時候就需要用到專門的MOS驅動IC了。


一.實例分析
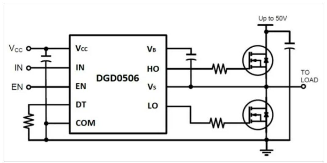
專門的驅動IC為了實現快速開關MOS,一般內部會集成自舉電路,從而可以提供高于電源電壓的驅動電壓來快速開關MOS,以DGD0506為例,雖然該IC的供電電源電壓是15V,但是它卻能提供高達50V的驅動電壓輸出。VB和VS引腳之間的電容就是自舉電容,是完成升壓的核心器件。從下面的電路我們可以看出來,驅動IC的Vs引腳直接接到了MOS的Source極,這樣就解決了沒有GND作為Source極電壓參考的問題。


另外,如果我們用分立器件搭建半橋驅動電路來驅動電機時,一旦軟件出現BUG,兩個MOS同時導通,相當于VCC和GND直連了,那么兩個MOS上會出現很大的短路電流,可能會燒毀MOS,集成MOS內部有死去時間控制,能夠從硬件上避免兩個MOS同時導通的情況出現,簡單來說就是我們在開啟一個MOS時,會硬件延時,而這段硬件延時時間能充分保證另一個MOS已經關閉了,我們可以通過調整DT引腳上連接的電阻來調整死區保護時間。


二總結
總結來說,使用IC驅動MOS減少了外圍分立器件,并且能大大擴展驅動電壓以及應用場景,當然,這也會導致成本的上升,所以還是要基于需求來搭建驅動電路,如果你得MOS管開關電路沒有開關時間的要求,并且也不是驅動H橋這種電路,只是用于簡單的負載開關,這個時候考慮一下電流,MOS管的溫升,如果都比較合理的話,那用MCU直驅也是可以的。
〈烜芯微/XXW〉專業制造二極管,三極管,MOS管,橋堆等,20年,工廠直銷省20%,上萬家電路電器生產企業選用,專業的工程師幫您穩定好每一批產品,如果您有遇到什么需要幫助解決的,可以直接聯系下方的聯系號碼或加QQ/微信,由我們的銷售經理給您精準的報價以及產品介紹
聯系號碼:18923864027(同微信)
QQ:709211280

