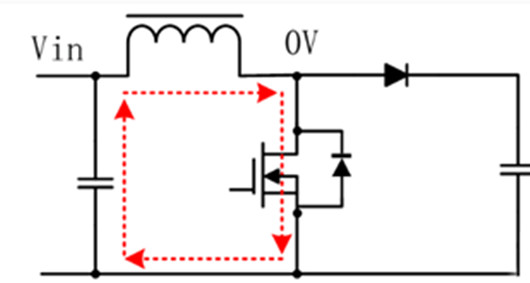
電感在boost中的工作原理


開關閉合時,充電路徑見上圖回路,此時給電感充電,可以列出方程:


其中:
Vi:輸入電壓 L:電感量 △Ion:充電時電感電流紋波
D:開關的占空比 T:開關周期,是頻率f的倒數


η是boost的效率,開關電源效率一般是比較高的,如果只是近似計算,效率可以取90%。
最后一個公式,電源的輸出總電流,是直流電基礎之上,疊加的交流電流,我們需要計算直流加交流時的最大電流:


從推導的公式可以看出,選擇大電感時,產生的紋波也小,可以降低電感器的磁滯損耗和 EMI。但同樣地,物極必反,負載瞬態響應時間增加。
boost升壓電感怎么計算?
BOOST升壓電路參數計算
1. 占空比Vi *Ton/L=(Vo-Vi)*Toff/LD = (Vo-Vi)/VoD—占空比
2. 電感選擇dIL= Vi*Ton/LdIL=0.2IL_ avg=0.2IinIin=Vo*Io/ViIL_avg = IinIL_peak = 1.1IinIL_rms = ILavg*(1+0.22/12)0.5L電感量的選取原則使電感紋波電流為電感電流的20%(可根據應用改變)
dIL—電感紋波電流峰峰值
IL_avg—電感電流平均值
IL_peak—電感峰值電流
IL_rms—電感電流有效值
2. 肖特基二極管選擇
Id_peak = 1.1IinVrd = VoId_peak—續流二極管峰值電流Vrd—續流二級管反向耐壓(Ton期間)
3. 開關管Isw_peak = 1.1IinVsw = VoIsw_peak—開關管峰值電流Vsw_peak—開關管耐壓(Toff期間)
4. 電容Icin_rms = dIL/120.5Ico_rms = [Io2D+(Iin-Io)2(1-D)]0.5電容選?。耗蛪?、紋波電流、電容量Icin_rms—輸入電容的紋波電流有效值Ico_rms—
BOOST升壓電路參數計算
1. 占空比
Vi *Ton/L=(Vo-Vi)*Toff/L
D = (Vo-Vi)/Vo
D—占空比
2. 電感選擇
dIL= Vi*Ton/L
dIL=0.2IL_ avg=0.2Iin
Iin=Vo*Io/Vi
IL_avg = Iin
IL_peak = 1.1Iin
IL_rms = ILavg*(1+0.22/12)0.5
L電感量的選取原則使電感紋波電流為電感電流的20%(可根據應用改變)
dIL—電感紋波電流峰峰值
IL_avg—電感電流平均值
IL_peak—電感峰值電流
IL_rms—電感電流有效值
肖特基二極管選擇
Uo=Us/(1-D);D是占空比,Lo=5(Vs-Vo)VoT/(Vs*Io);Vs是輸入電壓,Vo是輸出電壓Io是輸出電流額定值;對于電容,適當大一點,耐壓高點就行。
〈烜芯微/XXW〉專業制造二極管,三極管,MOS管,橋堆等,20年,工廠直銷省20%,上萬家電路電器生產企業選用,專業的工程師幫您穩定好每一批產品,如果您有遇到什么需要幫助解決的,可以直接聯系下方的聯系號碼或加QQ/微信,由我們的銷售經理給您精準的報價以及產品介紹
聯系號碼:18923864027(同微信)
QQ:709211280

