開關電源的電路組成
開關電源的主要電路是由輸入電磁干擾濾波器(EMI)、整流、濾波電路組成。輔助電路有輸入過欠壓保護電路、輸出過欠壓保護電路、輸出過流保護電路、輸出短路保護電路等。
開關電源的組成模塊如圖1所示。

圖1 開關電源的組成模塊
注:PFC即功率因數,主要用來表征電子產品對電能的利用效率。功率因數越高,說明電能的利用效率越高。
PFC包括無源PFC和有源PFC,無源PFC采用電感補償方法使交流輸入的基波電流與電壓之間相位差減小來提高功率因數;有源PFC電路中往往采用高集成度的IC。
輸入電路的原理及常見電路
1)AC輸入整流濾波電路原理

圖2 輸入濾波、整流回路原理圖
①防雷電路:當有雷擊,產生高壓經電網導入電源時,由MOV1、MOV2、MOV3:F1、F2、F3、FDG1 組成的電路進行保護。
當加在壓敏電阻兩端的電壓超過其工作電壓時,其阻值降低,使高壓能量消耗在壓敏電阻上,若電流過大,F1、F2、F3 會燒毀保護后級電路。
注:MOV為壓敏電阻,也稱為突波吸收器是一種具有電壓電流對稱特性的電壓屬性電阻器,主要是用來保護所有的電子產品或元件免受開關或者雷擊誘發所產生的突波影響;
F為溫度保險絲;FDG為陶瓷氣體放電管(也用GDT表示),是一種由陶瓷材料制成的特殊結構的氣體放電設備。
②輸入濾波電路:C1、L1、C2、C3組成的雙 [公式] 型濾波網絡主要是對輸入電源的電磁噪聲及雜波信號進行抑制,防止對電源干擾,同時也防止電源本身產生的高頻雜波對電網干擾。
當電源開啟瞬間,要對C5充電,由于瞬間電流大,加RT1(熱敏電阻)就能有效的防止浪涌電流。
因瞬時能量全消耗在RT1電阻上,一定時間后溫度升高后RT1阻值減?。≧T1是負溫系數元件),這時消耗的能量非常小,后級電路可正常工作。
③整流濾波電路:交流電壓經BRG1整流后,經C5濾波后得到較為純凈的直流電壓。若C5容量變小,輸出的交流紋波將增大。
2)DC輸入濾波電路原理

圖3 DC輸入濾波電路原理
①輸入濾波電路:C1、L1、C2組成的雙 [公式] 型濾波網絡主要是對輸入電源的電磁噪聲及雜波信號進行抑制,防止對電源干擾,同時也防止電源本身產生的高頻雜波對電網干擾。
C3、C4 為安規電容(指電容器失效后,不會導致電擊,不會危及人身安全的安全電容器,通常用于抗干擾電路中的濾波作用),L2、L3為差模電感(一種對差模高頻干擾的感抗大的電感)。
② R1、R2、R3、Z1、C6、Q1、Z2、R4、R5、Q2、RT1、C7組成抗浪涌電路。在起機的瞬間,由于 C6的存在Q2不導通,電流經RT1構成回路。當C6上的電壓充至Z1的穩壓值時Q2導通。
如果C8漏電或后級電路短路現象,在起機的瞬間電流在RT1上產生的壓降增大,Q1導通使 Q2沒有柵極電壓不導通,RT1將會在很短的時間燒毀,以保護后級電路。
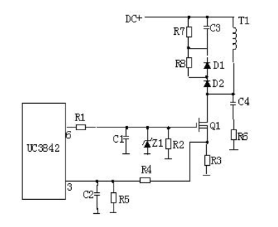
功率變換電路
常見電路

圖4 典型原理圖
3)工作原理
R4、C3、R5、R6、C4、D1、D2組成緩沖器,和開關MOS管并接,使開關管電壓應力減少,EMI減少,不發生二次擊穿。
在開關管Q1關斷時,變壓器的原邊線圈易產生尖峰電壓和尖峰電流,這些元件組合一起,能很好地吸收尖峰電壓和電流。從R3測得的電流峰值信號參與當前工作周波的占空比控制,因此是當前工作周波的電流限制。
當R5上的電壓達到1V時,UC3842(一種高性能固定頻率電流型控制器,包含誤差放大器、PWM比較器、PWM鎖存器、振蕩器、內部基準電源和欠壓鎖定等單元)停止工作,開關管Q1立即關斷。
R1和Q1中的結電容CGS、CGD一起組成RC網絡,電容的充放電直接影響著開關管的開關速度。R1過小,易引起振蕩,電磁干擾也會很大;R1過大,會降低開關管的開關速度。Z1通常將MOS管的GS電壓限制在18V以下,從而保護了MOS管。
Q1的柵極受控電壓為鋸形波,當其占空比越大時,Q1導通時間越長,變壓器所儲存的能量也就越多;當Q1截止時,變壓器通過D1、D2、R5、R4、C3釋放能量,同時也達到了磁場復位的目的,為變壓器的下一次存儲、傳遞能量做好了準備。
IC根據輸出電壓和電流時刻調整著6腳鋸形波占空比的大小,從而穩定了整機的輸出電流和電壓。 C4和R6為尖峰電壓吸收回路。
輸出整流濾波電路
1、正激式整流電路
開關電源 電路
圖5 整流電路
T1為開關變壓器,其初極和次極的相位同相。D1為整流二極管,D2為續流二極管,R1、C1、R2、C2為削尖峰電路。L1為續流電感,C4、L2、C5組成π型濾波器。
其中, π型濾波器是一種二級濾波器,作用是去除不需要的諧波,在直流電源中的減小電流的脈動,使電流更加平滑。
圖5為正激式整流電路,反激式整流電路的不同在于取消了續流二極管,削尖電路使用假負載代替。
(假負載:一般接在輸出電路兩端,能夠承受一定的功率同時又能滿足電路設計要求的負載,不能太大也不能太小,要不然會增加額外的功耗,在空載時由于輸出電壓不穩定,接入假負載能夠使電源穩定,這個假負載除了有負載作用同時還兼有泄放電阻的作用,在斷電時候把殘留的電放掉)
〈烜芯微/XXW〉專業制造二極管,三極管,MOS管,橋堆等20年,工廠直銷省20%,上萬家電路電器生產企業選用,專業的工程師幫您穩定好每一批產品,如果您有遇到什么需要幫助解決的,可以點擊右邊的工程師,或者點擊銷售經理給您精準的報價以及產品介紹
電話:18923864027(同微信)
QQ:709211280〈烜芯微/XXW〉專業制造二極管,三極管,MOS管,橋堆等20年,工廠直銷省20%,上萬家電路電器生產企業選用,專業的工程師幫您穩定好每一批產品,如果您有遇到什么需要幫助解決的,可以點擊右邊的工程師,或者點擊銷售經理給您精準的報價以及產品介紹

