基于8050三極管作為案例來對三個典型的開關電路進行分析,希望大家對該種管子有更深入的了解。本文整理的內容如下。
一、8050三極管發射極跟隨開關電路
在實際電路設計中需要考慮8050三極管Vceo,Vcbo等滿足耐壓,8050三極管滿足集電極功耗;通過負載電流和hfe(取三極管最小hfe來計算)計算基極電阻(要為基極電流留0.5至1倍的余量)。注意消特基二極管反向耐壓。


發射極跟隨開關電路
發射極跟隨的優點就是開關速度快,可應用于中高頻信號的開關;R2不能太,大了電路容易受干擾;當然也不能太小,否則白白浪費前級的驅動能力?;鶚O不需要限流電阻了,因為負載電流除以hfe就是基極電流,8050三極管會自動向上級所取這么大的電流。
二、將簡單8050三極管開關電路進行改良
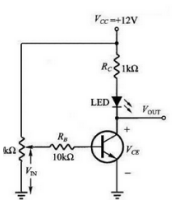
簡單8050三極管開關:電路如圖1,電阻RC是LED限流用電阻,以防止電壓過高燒壞LED(發光二極管),將輸入信號VIN從0調到最大(等分為約20個間隔),觀察并記錄對的VOUT以及LED的亮度。當8050三極管開關為斷路時,VOUT=VCC=12V,LED不亮。當8050三極管開關通路時,VOUT=0.2V,LED會亮。改良三極管開關:因為三極管由截止區過度到飽和區需經過線性區,開關的效果不會有明確的界線。為使8050三極管開關的效果明確,可串接兩三極管,電路如圖2。同樣將輸入信號VIN從0調到最大(等分為約20個間隔),觀察并記錄對應的VOUT以及LED的亮度。


圖1 簡單8050三極管開關電路


圖2 改良的8050三極管開關電路
以上就是對簡單的8050三極管開關電路進行改良的電路和發射極跟隨開關電路,經過對以上的案例電路分析之后,大家對8050三極管有更深入的認識。
烜芯微專業制造二極管,三極管,MOS管,橋堆20年,工廠直銷省20%,1500家電路電器生產企業選用,專業的工程師幫您穩定好每一批產品,如果您有遇到什么需要幫助解決的,可以點擊右邊的工程師,或者點擊銷售經理給您精準的報價以及產品介紹

