電路
分析電路的方法,電路:由金屬導線和電氣、電子部件組成的導電回路,稱為電路。在電路輸入端加上電源使輸入端產生電勢差,電路連通時即可工作。電流的存在可以通過一些儀器測試出來,如電壓表或電流表偏轉、燈泡發光等;按照流過的電流性質,一般把它分為兩種:直流電通過的電路稱為“直流電路”,交流電通過的電路稱為“交流電路”。
電路問題計算的先決條件是正確識別電路,搞清楚各部分之間的連接關系。對較復雜的電路應先將原電路簡化為等效電路,以便分析和計算。識別分析電路的方法很多,現結合具體實例介紹十種方法。
分析電路的方法詳解-10大方法詳解
1、特征識別法
串并聯電路的特征是;串聯電路中電流不分叉,各點電勢逐次降低,并聯電路中電流分叉,各支路兩端分別是等電勢,兩端之間等電壓。根據串并聯電路的特征識別電路是簡化電路的一種最基本的方法。
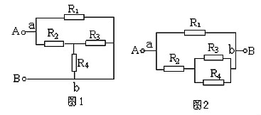
例1.試畫出圖1所示的等效電路。

解析:解:設電流由A端流入,在a點分叉,b點匯合,由B端流出。支路a—R1—b和a—R2—R3(R4)—b各點電勢逐次降低,兩條支路的a、b兩點之間電壓相等,故知R3和R4并聯后與R2串聯,再與R1并聯,等效電路如圖2所示。
2、伸縮翻轉法
在實驗室接電路時常常可以這樣操作,無阻導線可以延長或縮短,也可以翻過來轉過去,或將一支路翻到別處,翻轉時支路的兩端保持不動;導線也可以從其所在節點上沿其它導線滑動,但不能越過元件。這樣就提供了簡化電路的一種方法,我們把這種方法稱為伸縮翻轉法。
例2.畫出圖3的等效電路。

解析:解:先將連接a、c節點的導線縮短,并把連接b、d節點的導線伸長翻轉到R3—C—R4支路外邊去,如圖4。
再把連接a、C節點的導線縮成一點,把連接b、d節點的導線也縮成一點,并把R5連到節點d的導線伸長線上(圖5)。由此可看出R2、R3與R4并聯,再與R1和R5串聯,接到電源上
3、電流走向法
電流是分析電路的核心。從電源正極出發(無源電路可假設電流由一端流入另一端流出)順著電流的走向,經各電阻繞外電路巡行一周至電源的負極,凡是電流無分叉地依次流過的電阻均為串聯,凡是電流有分叉地分別流過的電阻均為并聯。
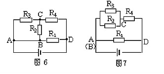
例3.試畫出圖6所示的等效電路。

解:電流從電源正極流出過A點分為三路(AB導線可縮為一點),經外電路巡行一周,由D點流入電源負極。第一路經R1直達D點,第二路經R2到達C點,第三路經R3也到達C點,顯然R2和R3接聯在AC兩點之間為并聯。二、三絡電流同匯于c點經R4到達D點,可知R2、R3并聯后與R4串聯,再與R1并聯,如圖7所示。
4、等電勢法
在較復雜的電路中往往能找到電勢相等的點,把所有電勢相等的點歸結為一點,或畫在一條線段上。當兩等勢點之間有非電源元件時,可將之去掉不考慮;當某條支路既無電源又無電流時,可取消這一支路。我們將這種簡比電路的方法稱為等電勢法。
例4.如圖8所示,已知R1=R2=R3=R4=2Ω,求A、B兩點間的總電阻。

解析:設想把A、B兩點分別接到電源的正負極上進行分析,A、D兩點電勢相等,B、C兩點電勢也相等,分別畫成兩條線段。電阻R1接在A、C兩點,也即接在A、B兩點;R2接在C、D兩點,也即接在B、A兩點;R3接在D、B兩點,也即接在A、B兩點,R4也接在A、B兩點,可見四個電阻都接在A、B兩點之間均為并聯(圖9)。所以,PAB=3Ω。
5、支路節點法
節點就是電路中幾條支路的匯合點。所謂支路節點法就是將各節點編號(約定;電源正極為第1節點,從電源正極到負極,按先后次序經過的節點分別為1、2、3……),從第1節點開始的支路,向電源負極畫??赡苡卸鄺l支路(規定:不同支路不能重復通過同一電阻)能達到電源負極,畫的原則是先畫節點數少的支路,再畫節點數多的支路。然后照此原則,畫出第2節點開始的支路。余次類推,最后將剩余的電阻按其兩端的位置補畫出來。
例5.畫出圖10所示的等效電路。

解析:圖10中有1、2、3、4、5五個節點,按照支路節點法原則,從電源正極(第1節點)出來,節點數少的支路有兩條:R1、R2、R5支路和R1、R5、R4支路。取其中一條R1、R2、R5支路,畫出如圖11。
再由第2節點開始,有兩條支路可達負極,一條是R5、R4,節點數是3,另一條是R5、R3、R5,節點數是4,且已有R6重復不可取。所以應再畫出R5、R4支路,最后把剩余電阻R3畫出,如圖12所示。
6、幾何變形法
幾何變形法就是根據電路中的導線可以任意伸長、縮短、旋轉或平移等特點,將給定的電路進行幾何變形,進一步確定電路元件的連接關系,畫出等效電路圖。
例6.畫出圖13的等效電路。

解析:使ac支路的導線縮短,電路進行幾何變形可得圖14,再使ac縮為一點,bd也縮為一點,明顯地看出R1、R2和R5三者為并聯,再與R4串聯(圖15)。
7、撤去電阻法
根據串并聯電路特點知,在串聯電路中,撤去任何一個電阻,其它電阻無電流通過,則這些電阻是串聯連接;在并聯電路中,撤去任何一個電阻,其它電阻仍有電流通過,則這些電阻是并聯連接。

解析:仍以圖13為例,設電流由A端流入,B端流出,先撤去R2,由圖16可知R1、R3有電流通過。再撤去電阻R1,由圖17可知R2、R3仍有電流通過。同理撤去電阻R3時,R1、R2也有電流通過由并聯電路的特點可知,R1、R2和R3并聯,再與R4串聯。
8、獨立支路法
讓電流從電源正極流出,在不重復經過同一元件的原則下,看其中有幾條路流回電源的負極,則有幾條獨立支路。未包含在獨立支路內的剩余電阻按其兩端的位置補上。應用這種方法時,選取獨立支路要將導線包含進去。
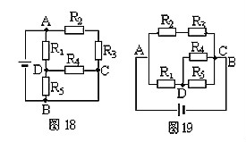
例7.畫出圖18的等效電路。
方案一:選取A—R2—R3—C—B為一條獨立支路,A—R1—R5—B為另一條獨立支路,剩余電阻R4接在D、C之間,如圖19所示。

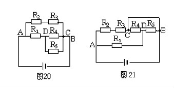
方案二:選取A—R1—D—R4—C—B為一條獨立支路,再分別安排R2、R3和R5,的位置,構成等效電路圖20。
方案三:選取A—R2—R3—C—R4—D—R5—B為一條獨立支路,再把R1接到AD之間,導線接在C、B之間,如圖21所示,結果仍無法直觀判斷電阻的串并聯關系,所以選取獨立支路時一定要將無阻導線包含進去。

9、節點跨接法
將已知電路中各節點編號,按電勢由高到低的順序依次用1、2、3……數碼標出來(接于電源正極的節點電勢最高,接于電源負極的節點電勢最低,等電勢的節點用同一數碼,并合并為一點)。然后按電勢的高低將各節點重新排布,再將各元件跨接到相對應的兩節點之間,即可畫出等效電路。
例8.畫出圖22所示的等效電路。

解析:節點編號:如圖22中所示。
節點排列:將1、23節點依次間隔地排列在一條直線上,如圖23。
元件歸位:對照圖22,將R1、R2、R3、R4分別跨接在排列好的1、2得等效電路如圖24。
10、電表摘補法
若復雜的電路接有電表,在不計電流表A和電壓表V的內阻影響時,由于電流表內阻為零,可摘去用一根無阻導線代替;由于電壓表內阻極大,可摘去視為開路。用上述方法畫出等效電 搞清連接關系后,再把電表補到電路對應的位置上。

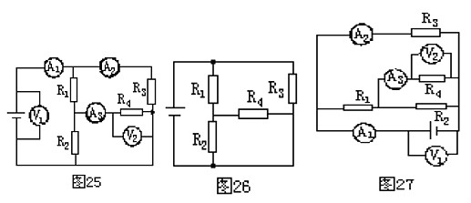
例9.如圖25的電路中,電表內阻的影響忽略不計,試畫出它的等效電路。
解析:先將電流表去,用一根導線代摘替,再摘去電壓表視為開路,得圖26。然后根據圖25把電流表和電壓表補接到電路中的對應位置上,如圖27所示。
驅動電路隔離措施
驅動電路為什么要采取隔離措施:
安規問題,驅動電路副邊與主電路有耦合關系,而驅動原邊是與控制電路連在一起, 主電路是一次電路,控制電路是ELV電路, 一次電路和ELV電路之間要做加強絕緣,實現絕緣要求一般就采取變壓器光耦等隔離措施。
驅動電路采取隔離措施的條件:
控制參考地與驅動信號參考地(e極)同—驅動電路無需隔離;

控制參考地與驅動信號參考地(e極)不同—驅動電路應隔離。

烜芯微專業制造二極管,三極管,MOS管,20年,工廠直銷省20%,1500家電路電器生產企業選用,專業的工程師幫您穩定好每一批產品,如果您有遇到什么需要幫助解決的,可以點擊右邊的工程師,或者點擊銷售經理給您精準的報價以及產品介紹

