MOS管
MOS管,把輸入電壓的變化轉化為輸出電流的變化。FET的增益等于它的跨導, 定義為輸出電流的變化和輸入電壓變化之比。市面上常有的一般為N溝道和P溝道,
場效應管通過投影一個電場在一個絕緣層上來影響流過晶體管的電流。事實上沒有電流流過這個絕緣體,所以FET管的GATE電流非常小。最普通的FET用一薄層二氧化硅來作為GATE極下的絕緣體。這種晶體管稱為金屬氧化物半導體(MOS)晶體管,或,金屬氧化物半導體場效應管(MOSFET)。因為MOS管更小更省電,所以他們已經在很多應用場合取代了雙極型晶體管。
大小功率MOS管詳細分析及總結
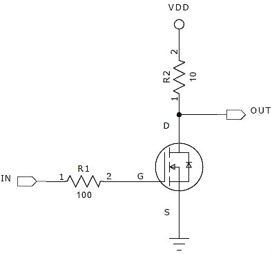
MOS管相比于三極管,開關速度快,導通電壓低,電壓驅動簡單,所以越來越受工程師的喜歡,然而,若不當設計,哪怕是小功率MOS管,也會導致芯片燒壞,原本想著更簡單的,最后變得更加復雜。這幾年來一直做高頻電源設計,也涉及嵌入式開發,對大小功率MOS管,都有一定的理解,所以把心中理解的經驗總結一番,形成理論模型。MOS管等效電路及應用電路如下圖所示:


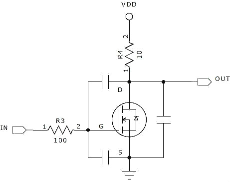
把MOS管的微觀模型疊加起來,就如下圖所示:


MOS管的輸入與輸出是相位相反,恰好180度,也就是等效于一個反相器,也可以理解為一個反相工作的運放,如下圖:


下圖可以一眼看出,這就是一個反相積分電路,當輸入電阻較大時,開關速度比較緩慢,Cgd這顆積分電容影響不明顯,但是當開關速度比較高,而且VDD供電電壓比較高,比如310V下,通過Cgd的電流比較大,強的積分很容易引起振蕩,這個振蕩叫米勒振蕩。所以Cgd也叫米勒電容,而在MOS管開關導通或者關斷的那段時間,也就是積分那段時間,叫米勒平臺,如下圖圓圈中的那部分為米勒平臺,右邊的是振蕩嚴重的米勒振蕩:




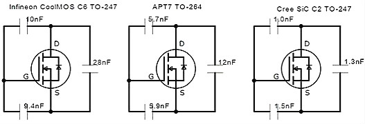
因為MOS管的反饋引入了電容,當這個電容足夠大,并且前段信號變化快,后端供電電壓高,三者結合起來,就會引起積分過充振蕩,這個等價于溫控的PID中的I模型,要想解決解決這個米勒振蕩,在頻率和電壓不變的情況下,一般可以提高MOS管的驅動電阻,減緩開關的邊沿速度,其次比較有效的方式是增加Cgs電容。在條件允許的情況下,可以在Cds之間并上低內阻抗沖擊的小電容,或者用RC電路來做吸收電路。下圖給出我常用的三顆大功率MOS管的電容值:LCR電橋直接測量。


從圖上可以看出,Inifineon6代MOS管和APT7代MOS管性能遠遠不如碳化硅性能,它的各個指標都很小,當米勒振蕩通過其他手段無法降低時,可以考慮更換更小的米勒電容MOS管,尤其需要重視Cgd要盡可能的小于Cgs。
MOS管的檢測
在修理電視機及電器設備時,會遇到各種元器件的損壞,MOS管也在其中,這就是我們的維修人員如何利用常用的萬用表來判斷MOS管的好壞、優劣。在更換MOS管是如果沒有相同廠家及相同型號時,如何代換的問題。
作為一般的電器電視機維修人員在測量晶體三極管或二極管時,一般是采用普通的萬用表來判斷三極管或者二極管的好壞,雖然對所判斷的三極管或二極管的電氣參數沒法確認,但是只要方法正確對于確認晶體三極管的“好”與“壞”還是沒有問題的。同樣MOS管也可以應用萬用表來判斷其“好”與“壞”,從一般的維修來說,也可以滿足需求了。
檢測必須采用指針式萬用表(數字表是不適宜測量半導體器件的)。對于大功率MOS管開關管都屬N溝道增強型,各生產廠的產品也幾乎都采用相同的TO-220F封裝形式(指用于開關電源中功率為50—200W的場效應開關管),其三個電極排列也一致,即將三只引腳向下,打印型號面向自巳,左側引腳為柵極,右測引腳為源極,中間引腳為漏極如下圖所示。


MOS管測試步驟
把紅表筆接到MOS管的源極S;把黑表筆接到MOS管的漏極D,此時表針指示應該為無窮大,如圖5-3所示。如果有歐姆指數,說明被測管有漏電現象,此管不能用。


保持上述狀態;此時用一只100K~200K電阻連接于柵極和漏極,如圖5-4所示;這時表針指示歐姆數應該越小越好,一般能指示到0歐姆,這時是正電荷通過100K電阻對大功率MOS管柵極充電,產生柵極電場,由于電場產生導致導電溝道致使漏極和源極導通,所以萬用表指針偏轉,偏轉的角度大(歐姆指數小)證明放電性能好。


此時在圖5-4的狀態;再把連接的電阻移開,這時萬用表的指針仍然應該是MOS管導通的指數不變,如圖5-5所示。雖然電阻拿開,但是因為電阻對柵極所充的電荷并沒有消失,柵極電場繼續維持,內部導電溝道仍然保持,這就是絕緣柵型MOS管的特點。如果電阻拿開表針會慢慢的逐步的退回到高阻甚至退回到無窮大,要考慮該被測管柵極漏電。


這時用一根導線,連接被測管的柵極和源極,萬用表的指針立即返回到無窮大,如圖5-6所示。導線的連接使被測MOS管,柵極電荷釋放,內部電場消失;導電溝道也消失,所以漏極和源極之間電阻又變成無窮大。

烜芯微專業制造二三極管,MOS管,20年,工廠直銷省20%,1500家電路電器生產企業選用,專業的工程師幫您穩定好每一批產品,如果您有遇到什么需要幫助解決的,可以點擊右邊的工程師,或者點擊銷售經理給您精準的報價以及產品介紹

烜芯微專業制造二三極管,MOS管,20年,工廠直銷省20%,1500家電路電器生產企業選用,專業的工程師幫您穩定好每一批產品,如果您有遇到什么需要幫助解決的,可以點擊右邊的工程師,或者點擊銷售經理給您精準的報價以及產品介紹

